schema electrique panneau solaire autoconsommation

découvrez comment mettre en place un schéma solaire d'autoconsommation pour optimiser votre consommation d'énergie. ce guide vous présente les étapes clés, les avantages et les conseils pratiques pour maximiser l'utilisation de l'énergie solaire.

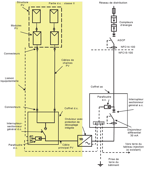
Schéma électrique des panneaux solaires pour autoconsommation

La demande croissante pour des solutions énergétiques durables a poussé de nombreuses personnes à s’intéresser aux panneaux solaires pour autoconsommation. Le schéma électrique qui accompagne ces systèmes est essentiel pour comprendre comment capter et utiliser l’énergie solaire efficacement. L’autoconsommation permet aux particuliers et aux entreprises de réduire leur facture d’électricité tout en contribuant à une empreinte carbone réduite. Ce phénomène n’est pas uniquement une tendance, mais une nécessité dans le cadre de la transition énergétique.

En installant un système de panneaux solaires et un schéma électrique adéquat, il est possible de transformer la lumière du soleil en électricité utilisable. Cela implique de connaître les différents composants impliqués, tels que les panneaux photovoltaïques, l’onduleur, les batteries et autres dispositifs de régulation. Examinons les éléments essentiels à considérer à propos des systèmes d’autoconsommation.

Les éléments clés d’un schéma électrique de panneau solaire

Panneaux photovoltaïques : cœur du système

Au cœur de tout système de panneau solaire autoconsommation, on trouve les panneaux photovoltaïques. Leur rôle principal est de capturer les rayons du soleil et de les convertir en électricité. Selon le type de panneau utilisé, l’efficacité de la conversion peut varier. Dans le choix de vos panneaux, il faut tenir compte de plusieurs critères comme la taille, le rendement, et les garanties du fabricant.

schema-solaire-autoconsommation schema electrique panneau solaire autoconsommation

L’onduleur : transformer le courant

L’onduleur joue un rôle crucial dans le schéma électrique en convertissant le courant continu (CC) produit par les panneaux photovoltaïques en courant alternatif (CA), qui est le type de courant utilisé dans les foyers. Il est donc essentiel de choisir un onduleur de qualité, adapté à la puissance totale de votre installation.

Batteries : stockage de l’énergie

Les systèmes de batteries permettent de stocker l’énergie excédentaire produite pendant la journée pour l’utiliser la nuit ou lors de jours nuageux. Avoir un bon système de stockage est un plus pour maximiser l’utilisation des panneaux solaires. En optant pour un kit de panneaux solaire avec batterie, vous garantissez une indépendance énergétique accrue.

Les avantages d’un schéma électrique optimisé

Économie d’énergie et réduction des factures

Utiliser un système de panneaux solaires avec un schéma électrique bien conçu contribue non seulement à la réduction des factures d’électricité, mais également à une économie à long terme. En consommant votre propre électricité, vous réduisez votre dépendance au réseau traditionnel.

schema-solaire-autoconsommation schema electrique panneau solaire autoconsommation

Avantages écologiques

En optant pour des panneaux solaires, vous participez à la réduction des émissions de gaz à effet de serre. Ce choix contribue à un avenir plus durable et respectueux de l’environnement. Les bienfaits écologiques associés à l’autoconsommation sont multiples, allant de la décarbonation de l’électricité à la réduction de l’usage des combustibles fossiles.

Indépendance énergétique

Avoir un système d’autoconsommation offre une plus grande liberté énergétique. En produisant votre propre électricité, vous n’êtes plus soumis aux fluctuations des prix de l’électricité du marché. De plus, en cas de pénurie ou d’interruption dans l’approvisionnement, votre système vous fournit une source d’énergie stable.

Choisir son installation solaire : les critères à prendre en compte

Le type de panneaux

La technologie des panneaux solaires a beaucoup évolué. Il existe différents types de panneaux sur le marché, tels que les panneaux monocristallins, polycristallins et à couches minces. Chaque type a ses avantages et inconvénients, variant en termes d’efficacité, de coût et d’espace requis pour l’installation.

schema-solaire-autoconsommation schema electrique panneau solaire autoconsommation

La taille du système

La dimension de votre installation dépendra de votre consommation d’énergie. Un panneau solaire d’autoconsommation de bonne taille vous permettra de couvrir vos besoins énergétiques en journée. Évaluer votre consommation actuelle est donc crucial pour définir la taille adéquate de votre système.

Les coûts associés

Il est important de considérer les coûts d’installation ainsi que le retour sur investissement. En moyenne, les systèmes de panneaux solaires peuvent nécessiter un investissement initial, mais les économies réalisées sur les factures d’électricité rendent cet investissement rentable à long terme.

Entretien et durabilité du système

Maintenance préventive

Après installation, il est essentiel de surveiller et entretenir votre système pour garantir sa pérennité. Cela peut inclure des nettoyages réguliers des panneaux et des vérifications périodiques des équipements électriques. En assurant un bon entretien, vous maximisez la durée de vie de votre installation tout en préservant sa performance.

schema-solaire-autoconsommation-1 schema electrique panneau solaire autoconsommation

Durée de vie des composants

Les panneaux solaires sont conçus pour durer entre 25 à 30 ans. Les onduleurs, cependant, peuvent nécessiter un remplacement tous les 5 à 10 ans. Il est donc vital de savoir quand remplacer les composants afin d’éviter des baisses de performance dans votre système.

Meilleures pratiques pour maintenir votre installation

Suivre certaines meilleures pratiques, comme l’installation sous un angle optimal, peut améliorer la performance générale du système. En parallèle, des systèmes de surveillance peuvent aider à détecter des anomalies en temps réel, permettant d’intervenir rapidement si nécessaire.

Vers une transition énergétique réussie

L’importance de l’intégration de la technologie

Pour réussir votre transition vers les énergies renouvelables, intégrer des technologies avancées dans le système de panneaux solaires est crucial. Que ce soit via l’utilisation d’outils de surveillance intelligents ou l’intégration des batteries, chaque détail compte pour améliorer l’efficacité de l’énergie solaire.

schema-solaire-autoconsommation-2 schema electrique panneau solaire autoconsommation

Inspiration pour le futur

De plus en plus de personnes choisissent de se tourner vers des systèmes d’énergie renouvelable. En s’orientant vers des solutions comme le panneau solaire autoconsommation sur prise de courant, ils se donnent les moyens non seulement de réduire leurs coûts énergétiques, mais aussi de contribuer à un avenir plus durable et responsable.

Laisser un commentaire

Vous avez peut-être manqué

Panneau Photovoltaique Solaire Pro 4.9 (98%) 26705 votes

Recevez votre devis gratuit pour installer des panneaux photovoltaïque

X